网站首页
关于我们
新闻资讯
产品展示
返回
天然石墨负极材料
人造石墨负极材料
硅系复合负极材料
新型负极材料
正极材料
联系我们
网站首页
关于我们
新闻资讯
产品展示
返回
天然石墨负极材料
人造石墨负极材料
硅系复合负极材料
新型负极材料
正极材料
联系我们
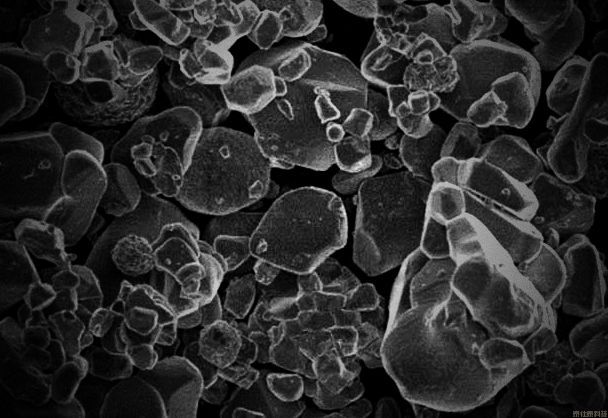
NCA单晶品
点击量:
发布时间:2021-11-17 17:04:58
产品特性:高容量、高安全性
适用范围:动力型锂离子电池、数码型锂离子电池
上一篇
: NCA多晶品
下一篇
: LFP系列